Modelling and outdoor performance characterization of monocrystalline and polycrystalline silicon photovoltaic modules

Authors

  • Adriano Pamain University of Dodoma
  • P.V. Kanaka Rao

DOI:

https://doi.org/10.23954/osj.v7i2.3030

Keywords:

Photovoltaic (PV), Modelling, m-Si, p-Si, I – V & P – V Curves

Abstract

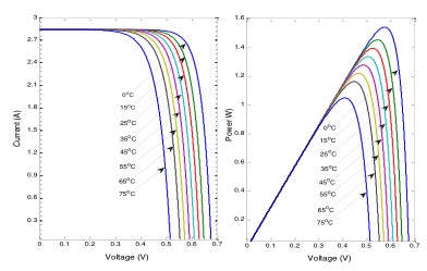
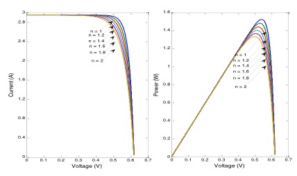
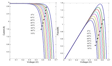
This paper presents the modeling and outdoor performance of monocrystalline silicon (m-Si) and polycrystalline silicon (p-Si) Photovoltaic (PV) modules. The I – V and P – V characteristics curves obtained by simulation and from outdoor experiments, were used to extract electrical parameters such as open-circuit voltage, short circuit current, maximum current, and maximum voltage. Parameters acquired were further used to compute the maximum power output, fill factor, and conversion efficiency of PV modules. The simulation results obtained were in agreement with the manufacturer’s datasheet value while experimental results showed a slight deviation from Standard Test Condition (STC) values. The effects of solar irradiance, module temperature, quality, and series resistance on the performance of PV modules were considered. It was observed that as solar irradiance increased the performance of PV modules improved, whereas the increase of other parameters such as module temperature, series resistance, and diode ideality factor declined the performance of PV modules.

@font-face {font-family:"Cambria Math"; panose-1:2 4 5 3 5 4 6 3 2 4; mso-font-charset:0; mso-generic-font-family:roman; mso-font-pitch:variable; mso-font-signature:-536870145 1107305727 0 0 415 0;}@font-face {font-family:Calibri; panose-1:2 15 5 2 2 2 4 3 2 4; mso-font-charset:0; mso-generic-font-family:swiss; mso-font-pitch:variable; mso-font-signature:-536859905 -1073697537 9 0 511 0;}p.MsoNormal, li.MsoNormal, div.MsoNormal {mso-style-unhide:no; mso-style-qformat:yes; mso-style-parent:""; margin:0cm; margin-bottom:.0001pt; mso-pagination:widow-orphan; font-size:12.0pt; font-family:"Calibri",sans-serif; mso-ascii-font-family:Calibri; mso-ascii-theme-font:minor-latin; mso-fareast-font-family:Calibri; mso-fareast-theme-font:minor-latin; mso-hansi-font-family:Calibri; mso-hansi-theme-font:minor-latin; mso-bidi-font-family:"Times New Roman"; mso-bidi-theme-font:minor-bidi; mso-ansi-language:EN-GB;}.MsoChpDefault {mso-style-type:export-only; mso-default-props:yes; font-family:"Calibri",sans-serif; mso-ascii-font-family:Calibri; mso-ascii-theme-font:minor-latin; mso-fareast-font-family:Calibri; mso-fareast-theme-font:minor-latin; mso-hansi-font-family:Calibri; mso-hansi-theme-font:minor-latin; mso-bidi-font-family:"Times New Roman"; mso-bidi-theme-font:minor-bidi; mso-ansi-language:EN-GB;}div.WordSection1 {page:WordSection1;}

Author Biography

Adriano Pamain, University of Dodoma

Department of Physics

College of Natural and Mathematical Sciences

References

Bellia, H., Youcef, R., & Fatima, M. (2014). A detailed modeling of photovoltaic module using MATLAB. NRIAG Journal of Astronomy and Geophysics, 3(1), 53–61. https://doi.org/10.1016/j.nrjag.2014.04.001

Bonkaney, A. L., Madougou, S., & Adamou, R. (2017). Impact of Climatic Parameters on the Performance of Solar Photovoltaic (PV) Module in Niamey. Smart Grid and Renewable Energy, 08(12), 379–393. https://doi.org/10.4236/sgre.2017.812025

Creutzig, F., Agoston, P., Goldschmidt, J. C., Luderer, G., Nemet, G., & Pietzcker, R. C. (2017). The underestimated potential of solar energy to mitigate climate change. In Nature Energy (Vol. 2, Issue 9, pp. 1–9). Nature Publishing Group. https://doi.org/10.1038/nenergy.2017.140

Gul, M., Kotak, Y., & Muneer, T. (2016). Review on recent trend of solar photovoltaic technology. In Energy Exploration and Exploitation (Vol. 34, Issue 4). https://doi.org/10.1177/0144598716650552

Kidegho, G., Njoka, F., Muriithi, C., & Kinyua, R. (2021). Evaluation of thermal interface materials in mediating PV cell temperature mismatch in PV–TEG power generation. Energy Reports, 7, 1636–1650. https://doi.org/10.1016/j.egyr.2021.03.015

Kvols, P. K., & Johra, H. (2018). Description and Validation of a MATLAB-Simulink Single Family House Energy Model with Furniture and Phase Change Materials (Update).

Louzazni, M., Khouya, A., Amechnoue, K., Mussetta, M., & Crăciunescu, A. (2018). Comparison and evaluation of statistical criteria in the solar cell and photovoltaic module parameters’ extraction. International Journal of Ambient Energy. https://doi.org/10.1080/01430750.2018.1517678

Matchanov, N. A., Mirzabaev, A. M., Umarov, B. R., Malikov, M. A., Kamoliddinov, A. U., & Bobozhonov, K. A. (2017). Experimental studies of the monocrystal and polycrystal characteristics of silicon photovoltaic modules under environmental conditions of Tashkent. Applied Solar Energy (English Translation of Geliotekhnika), 53(1), 23–30. https://doi.org/10.3103/S0003701X17010108

Meflah, A., Rahmoun, K., Mahrane, A., & Chikh, M. (2017). Outdoor performance modeling of three different silicon photovoltaic module technologies. International Journal of Energy and Environmental Engineering, 8(2), 143–152. https://doi.org/10.1007/s40095-017-0228-6

Mesquita, D. D. B., Lucas De Silva, J., Moreira, H. S., Kitayama, M., & Villalva, M. G. (2019). A review and analysis of technologies applied in PV modules. 2019 IEEE PES Conference on Innovative Smart Grid Technologies, ISGT Latin America 2019, December. https://doi.org/10.1109/ISGT-LA.2019.8895369

Mulcué-Nieto, L. F., Echeverry-Cardona, L. F., Restrepo-Franco, A. M., García-Gutiérrez, G. A., Jiménez-García, F. N., & Mora-López, L. (2020). Energy performance assessment of monocrystalline and polycrystalline photovoltaic modules in the tropical mountain climate: The case for Manizales-Colombia. Energy Reports, 6, 2828–2835. https://doi.org/10.1016/j.egyr.2020.09.036

Mussard, M., & Amara, M. (2018). Performance of solar photovoltaic modules under arid climatic conditions: A review. In Solar Energy (Vol. 174, pp. 409–421). Elsevier Ltd. https://doi.org/10.1016/j.solener.2018.08.071

Parida, B., Iniyan, S., & Goic, R. (2011). A review of solar photovoltaic technologies. In Renewable and Sustainable Energy Reviews (Vol. 15, Issue 3, pp. 1625–1636). Pergamon. https://doi.org/10.1016/j.rser.2010.11.032

Subhash Chandra, Agrawal, S., & Chauhan, D. S. (2020). Impact of Photovoltaic Module Temperature on Size and Voltage Stability, a Case Study in Indian Climate. Applied Solar Energy (English Translation of Geliotekhnika), 56(5), 324–333. https://doi.org/10.3103/S0003701X20050059

Tabish, S., & Ashraf, I. (2018). Performance evaluation of PV module under various parametric conditions. International Journal of Ambient Energy, 39(4), 317–322. https://doi.org/10.1080/01430750.2017.1303632

Wessel, P. (2016). Effects of Environmental Conditions on Electrical Characteristics of Photovoltaic Modules At Uh Manoa : a Monitoring and Assessment Report a Thesis Submitted To the Graduate Division of the University of Hawai ‘ I At Mānoa in Partial Fulfillment of the Re.

Downloads

Published

2022-05-27

How to Cite

Pamain, A., & Rao, P. K. (2022). Modelling and outdoor performance characterization of monocrystalline and polycrystalline silicon photovoltaic modules. Open Science Journal, 7(2). https://doi.org/10.23954/osj.v7i2.3030